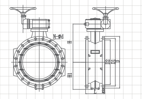
Home > Product series > Butterfly Valve Series > Flange Butterfly Valve >Double Eccentric Flanged Worm Gear Butterfly Valve
WCB/304/316
YFD342X
DN100-DN2000
PN1.0~1.6MPa
-29°C-200°C






Professional selection | Free quotation | Appointment to visit the factory